在新能源汽車直流充電設備的構成要素中,充電模塊占據核心地位。它承擔著整流、逆變、濾波等關鍵的功率變換任務,主要職能是把電網里的交流電轉變為適配電池充電需求的直流電。


一、充電模塊工作原理闡述
當充電模塊投入運行,三相交流電首先進入有源功率因數校正(PFC)電路經歷整流環節,轉化為直流電后供應給 DC/DC 變換電路??刂破鞯能浖惴ń涷寗与娐纷饔糜诎雽w功率開關,由此精準管控充電模塊的輸出電壓與電流,實現對電池組的高效充電。


二、充電模塊前級 PFC 拓撲詳解
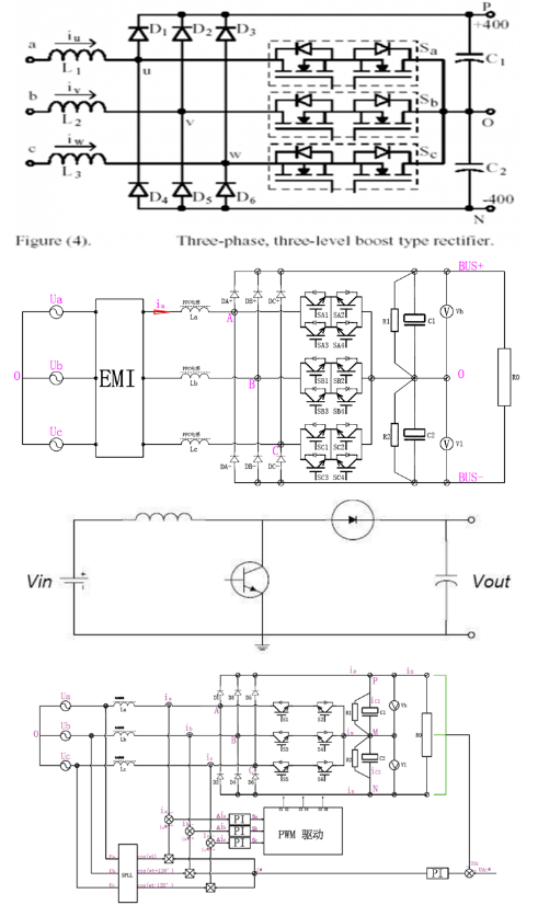
目前主流的三相三線制三電平 VIENNA 拓撲,在充電模塊領域應用廣泛。


(一)優勢
成本控制優勢 :大規模建設充電站需要海量充電機,成本把控至關重要。VIENNA 整流器不僅能減少功率開關器件的數量,其三電平特性還能降低功率開關管的最大壓降。這使得可以選擇數量更少、成本相對較低的低電壓等級功率器件,在大規模部署充電站的場景下,有效降低成本。
功率密度提升優勢 :功率密度是衡量充電機性能的重要指標之一。VIENNA 整流器具備高控制頻率的特性,這一特性使得電感和變壓器的體積得以減小,從而在很大程度上縮小了充電機的整體體積,實現了功率密度的顯著提升,更契合空間受限的安裝環境。
電能質量保障優勢 :VIENNA 整流器擁有高功率因數和低諧波電流的特性。在運行過程中,不會給電網引入大量的諧波污染,這對于電網的穩定運行極為有利,為充電站的大規模建設與推廣奠定了良好的電網兼容性基礎,因此獲得了主流充電模塊廠家的高度青睞,成為充電機整流裝置拓撲的主流選擇。
驅動電路簡化優勢 :在電路結構上,每相兩個 MOS 管采用反串聯連接方式。與 PWM 整流器不同,不存在上下管直通的問題,無需特別考慮死區,這使得驅動電路的設計與實現相對更為容易,降低了整體的設計與制造難度。
(二)劣勢
中性點平衡難題 :該拓撲存在輸出中性點平衡問題。中性點電壓若出現波動,會增加注入電網電流的諧波分量。當中性點電壓嚴重偏離正常范圍時,會導致開關器件以及直流側電流承受過高電壓而損壞。因此,在實際應用中,必須采取有效的中性點電位平衡控制策略,以確保充電模塊的穩定運行。
能量傳遞單向性局限 :能量只能單向傳遞,這在一定程度上限制了系統的靈活性。例如在車輛到電網(V2G)等需要實現能量雙向流動的應用場景中,無法直接滿足需求,需要額外的設備或電路來實現反向能量傳遞功能。
〈烜芯微/XXW〉專業制造二極管,三極管,MOS管,橋堆等,20年,工廠直銷省20%,上萬家電路電器生產企業選用,專業的工程師幫您穩定好每一批產品,如果您有遇到什么需要幫助解決的,可以直接聯系下方的聯系號碼或加QQ/微信,由我們的銷售經理給您精準的報價以及產品介紹
聯系號碼:18923864027(同微信)
QQ:709211280

