過零比較器即為在輸入信號穿越0電平時,輸出脈沖。將輸入信號與零電平進行比較。當輸入信號的電壓超過零電平時,輸出電路為高電平;當輸入信號電壓小于或等于零電平時,輸出電路為低電平。
過零比較器是用于檢測信號是否經過了某個閾值,并在信號穿過閾值時輸出一個短脈沖信號的電路元件。通常情況下,過零比較器會用于交流電路中的零點檢測和調光等應用,其輸出信號常常可用于控制其他開關電路,從而實現對交流電路的控制。
過零比較器原理
利用對稱放大器和比較器的結合,實現對交流信號的檢測。在交流信號為正半周的時候,比較器輸出低電平,當信號變?yōu)樨摪胫軙r,比較器輸出高電平。通過這樣的方式,就可以實現對交流信號的零點檢測。
過零比較器的電路結構一般由一個放大器、一個比較器以及一個零點交叉檢測電路構成。其中放大器的作用是對信號進行放大,以便更好地進行比較。而比較器則會比較放大后的信號和一個固定的參考電壓,當信號超過這個參考電壓時,比較器輸出高電平,否則輸出低電平。零點交叉檢測電路則可以通過對正弦交流信號的零點位置進行檢測,從而確定交流信號穿過參考電壓的時刻,進而輸出一個短脈沖信號。
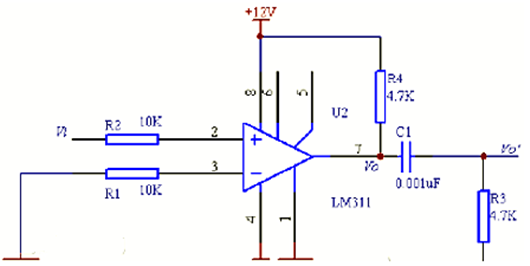
當輸入信號Vi為一正弦波時,Vi每過零一次,比較器的輸出Vo將產生一次電壓跳變,輸入Vi,輸出Vo,經RC微分電路后的輸出Vo’如下圖所示:


過零比較器電路圖
過零比較器根據輸入方式的不同分為反相輸入式和同相輸入式兩種。反相輸入式過零比較器的同相輸入端接地,而同相輸入式過零比較器的反相輸入端接地。
對于反相輸入式過零比較器,當輸入信號電壓ui>0時,輸出電壓u。=-u0m。;當u1<0 時,u。=+u0m。反相輸入式過零比較器電路及電壓傳輸特性如圖所示。
對于同相輸入式過零比較器,當輸入信號電壓u1>0時,輸出電壓u。=+u0m;當ui<0 時,u0=-u0m。同相輸入式過零比較器電路及電壓傳輸特性如圖所示。


圖 反相輸入式過零比較器


圖 同相輸入式過零 比較器
對于反相輸入式過零比較器當輸入電壓為正弦波電壓ui,時,則u1。為矩形波。
〈烜芯微/XXW〉專業(yè)制造二極管,三極管,MOS管,橋堆等,20年,工廠直銷省20%,上萬家電路電器生產企業(yè)選用,專業(yè)的工程師幫您穩(wěn)定好每一批產品,如果您有遇到什么需要幫助解決的,可以直接聯系下方的聯系號碼或加QQ/微信,由我們的銷售經理給您精準的報價以及產品介紹
聯系號碼:18923864027(同微信)
QQ:709211280

