在PWM和電子鎮流器當中,半橋電路發揮著重要的作用。半橋電路由兩個功率開關器件組成,它們以圖騰柱的形式連接在一起,并進行輸出,提供方波信號。在PWM和電子鎮流器當中,半橋電路發揮著重要的作用。
半橋電路由兩個功率開關器件組成,它們以圖騰柱的形式連接在一起,并進行輸出,提供方波信號。本篇文章將為大家介紹半橋電路的工作原理,以及半橋電路當中應該注意的一些問題,希望能夠幫助電源新手們更快的理解半橋電路。
半橋電路的基本拓撲
電容器C1和C2與開關管Q1、Q2組成橋,橋的對角線接變壓器T1的原邊繞組,故稱半橋變換器。如果此時C1=C2,那么當某一開關管導通時,繞組上的電壓只有電源電壓的一半。

半橋電路的基本拓撲電路圖
電路的工作過程大致如下:
參照半橋電路的基本拓撲電路圖,其中Q1開通,Q2關斷,此時變壓器兩端所加的電壓為母線電壓的一半,同時能量由原邊向副邊傳遞。
Q1關斷,Q2關斷,此時變壓器副邊兩個繞組由于整流二極管兩個管子同時續流而處于短路狀態,原邊繞組也相當于短路狀態。Q1關斷,Q2開通。
此時變壓器兩端所加的電壓也基本上是母線電壓的一半,同時能量由原邊向副邊傳遞。副邊兩個二極管完成換流。
半橋電路中應該注意的幾點問題
偏磁問題
原因:由于兩個電容連接點A的電位是隨Q1、Q2導通情況而浮動的,所以能夠自動的平衡每個晶體管開關的伏秒值,當浮動不滿足要求時;
假設 Q1、Q2具有不同的開關特性,即在相同的基極脈沖寬度t=t1下,Q1關斷較慢,Q2關斷較快,則對B點的電壓就會有影響,就會有有灰色面積中A1、 A2的不平衡伏秒值,原因就是Q1關斷延遲。
如果要這種不平衡的波形驅動變壓器,將會發生偏磁現象,致使鐵心飽和并產生過大的晶體管集電極電流,從而降低了變換器的效率,使晶體管失控,甚至燒毀。

在變壓器原邊串聯一個電容的工作波形圖
解決辦法:在變壓器原邊線圈中加一個串聯電容C3,則與不平衡的伏秒值成正比的直流偏壓將被次電容濾掉,這樣在晶體管導通期間,就會平衡電壓的伏秒值,達到消除偏磁的目的。
半橋電路的運行原理及注意問題
用作橋臂的兩個電容選用問題:
從半橋電路結構上看,選用橋臂上的兩個電容C1、C2時需要考慮電容的均壓問題,盡量選用C1=C2的電容,那么當某一開關管導通時,繞組上的電壓只有電源電壓的一半,達到均壓效果;
一般情況下,還要在兩個電容兩端各并聯一個電阻(原理圖中的R1和R2)并且R1=R2進一步滿足要求,此時在選擇阻值和功率時需要注意降額。
此時,電容C1、C2的作用就是用來自動平衡每個開關管的伏秒值,(與C3的區別:C3是濾去影響伏秒平衡的直流分量)。
直通問題:
所謂直通,就是Q1、Q2在某一時刻同時導通的現象,此時會構成短路。
解決措施:
可以對驅動脈沖寬度的最大值加以限制,使導通角度不會產生直通。
還可以從拓撲上解決問題,才用交叉耦合封閉電路,使一管子導通時,另一管子驅動在封閉狀態,直到前一個管子關斷,封閉才取消,后管才有導通的可能,這種自動封鎖對存儲時間、參數分布有自動適應的優點,而且對占空比可以滿度使用的。

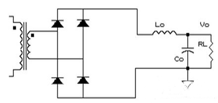
副邊為全波電路

副邊為全橋電路
半橋電路的驅動特點:
1、上下橋臂不共地,即原邊電路的開關管不共地。
2、隔離驅動。
〈烜芯微/XXW〉專業制造二極管,三極管,MOS管,橋堆等,20年,工廠直銷省20%,上萬家電路電器生產企業選用,專業的工程師幫您穩定好每一批產品,如果您有遇到什么需要幫助解決的,可以直接聯系下方的聯系號碼或加QQ/微信,由我們的銷售經理給您精準的報價以及產品介紹
聯系號碼:18923864027(同微信)
QQ:709211280

