直流偏置源為電子有源器件或系統提供一定的偏置電壓,可廣泛用于軍事系統及民用產品以及特殊行業,如石油化工、航空航天等工業設計中。直流偏置技術的實現方法較多。本文根據直流偏置源應用的實際環境和要求,采用工控機通過CAN通信與微控制器進行實時數據傳輸,微控制器又通過SPI串行通信控制數字電位器組合電路的方法實現偏置電壓的輸出。此方法噪聲低、步進調節靈活、精準度高,在實際應用中工作可靠、穩定,符合工作指標及要求。
1.偏置源的性能指標
直流偏置源的設計需要考慮整體噪聲指標和輸出電壓的精度以及電流的驅動能力。綜合相關文獻,并結合偏置源實際應用的系統要求,提出了以下關于直流偏置源的一些技術指標:
(1)輸出電壓范圍為0~5V。
(2)輸出調節方式為可編程步進調節,步長2mV。
(3)輸出電流為≥20mA。
2.設計原則
(1)由于器件容易受到外部信號和噪聲的干擾,所以需要采用一定的屏蔽措施。如偏置部分采用屏蔽盒安裝,系統信號連接線采用屏蔽線連接,這樣可有效阻止外部電磁輻射對系統的干擾。
(2)由于工業供電和市電等均為交流電,會從外部帶入不必要的干擾諧波,直接影響系統的噪聲指標量級。在市電供電的環境下,對模擬部分的干擾更為明顯。簽于以上情況,電路的模擬部分均采用純凈鋰電池供電的方式以降低電路噪聲。
(3)為保證被測器件參數的精準性,設置了偏置電壓回采監測,直流偏置按照低噪聲目標進行設計和實現。
(4)模塊之間的隔離。一般電路設計中,由于數字部分對模擬部分噪聲干擾較大,須將從數字部分傳輸到模擬部分的信號進行光耦隔離,以防止數字部分的干擾串入模擬部分。同時各組件內數字地和模擬地用磁珠連接,各組件之間單點共地后接入大地。
(5)工控機部分采用CAN通信和微控制器實現數據傳輸,微控制器采用SPI通信和數字電位器實現數據傳輸。
基于以上設計原則,直流偏置電路的總體結構如圖1所示。

圖1 總體結構
3.直流偏置源的硬件設計
考慮到偏置源應用的實際環境和指標要求,選用特定的器件來完成電路硬件設計。
3.1微控制器模塊的選擇
C8051F系列單片機是混合信號片上系統單片機,共主要模塊包括模擬外設、片內JTAG調試和邊界掃描、高速控制器內核、數字外設等。
3.2電源模塊的設計
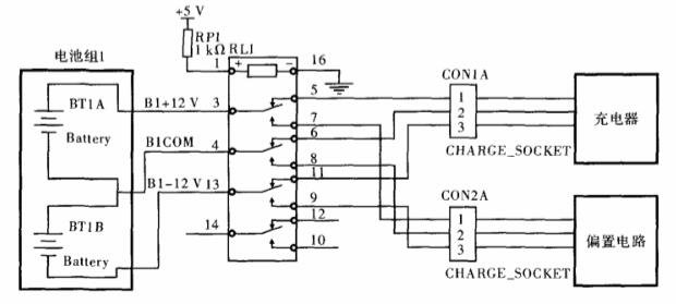
(1)鋰電池電池組電路
直流偏置部分的鋰電池供電+12V和-12V,電路如圖2所示。電源噪聲不僅影響自身電路設備的正常工作,而且也使電源本身的可靠性顯著降低。結合此次研發項目的實際情況,由于直流偏置部分對于噪聲指標要求較高,所以采用可充電鋰電池供電的方法來從源頭上抑制外來噪聲的影響。

圖2 部分鋰電池供電結構圖
(2)基準電壓源電路
基準電壓源產生標準的+5V電壓,利用數字電位器組合電路對其進行分壓,以保證0~5V步進偏置電壓的輸出,基準電壓源ADR445電路如圖3所示。

圖3 ADR445電路圖
首先在+12V輸入端進行了LC濾波網絡的設計,通過此網絡的設計可有效降低噪聲從源頭上帶入的影響。同時在ADR445芯片前的輸入端采用10μF電容可以提高線路電壓瞬態性能,而在ADR445芯片的輸入和輸出端使用0.1μF電容則可以使其穩定工作。ADR44x系列芯片具有一個TRIM引腳,該引腳允許用戶可在一定范圍內調整器件的輸出電壓。
(3)線性電源電路
LT1962是一款低噪聲、驅動能力強、靜態電流低的線性電源。另外,LT1962芯片不需要二極管穩壓保護,輸入電壓范圍為1.8~20.0V,固定輸出有1.5V,1.8V,2.5V,3V,3.3V和5V,可調節輸出電壓范圍為1.22~20.00V。同時,LT1962還具有電壓反接保護、過電流和高溫保護等功能。低噪聲線性電源LT1962-5電路如圖4所示。

圖4 LT1962-5電路圖
在設計中根據實際需要,將LT1962的ADJ/SEN引腳通過電阻連接至OUT引腳和地,這樣可以通過調節變阻器的阻值,在一定范圍內調整芯片OUT輸出端的電壓大小。同時,將BYT引腳通過0.01μF的旁路電容連接至OUT引腳,這樣可有效減小輸出端的噪聲。
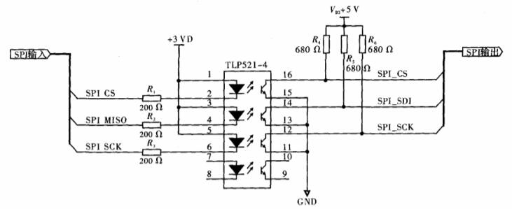
3.3光電隔離模塊的設計
在一般的電路設計中,數字部分對模擬部分的干擾較為明顯,不僅需要將數字地和模擬地在物理上隔離,還需要將從數字部分到模擬部分的信號傳輸進行物理隔離,這就需要光電耦合器電路。光電耦合器是目前在單片機和開關電源中用得最多的隔離抗干擾器件?;贓MC電磁干擾方面的考慮,選用光電耦合器TLP521-4隔離直流偏置電路中單片機數字部分與數字電位器模擬部分的電氣連接。光電隔離模塊TLP521-4是一款具有完整基極一發射極、性能優良的固定延時光電耦合器,它具有最優轉換速度、高溫性能等特點。光電耦合器TLP521-4電路如圖5所示。在TLP521-4輸出端采用+5V的上拉電阻設計。這樣可以有效地提高光電耦合器輸出端的驅動能力。

圖5 TLP521-4電路圖
3.4精準偏置電壓模塊的設計
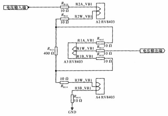
數字電位器是一種可用數字信號控制電位器滑動端開關位置而改變阻值的一類變阻器。數字電位器因為其使用壽命長,調節方便、準確、易操作、受環境因素影響小、噪聲小以及性能穩定等特點,被廣大電子工程技術人員所青睞。數字電位器具有記憶和非記憶性功能,選擇具有記憶功能的數字電位器,可以將當前滑動端的調節位置保存在非易失性存儲器中,再次上電后會自動恢復為上次滑動端的調節位置,這樣可以消除再次調節而帶來的手動誤差;選擇非記憶性功能的數字電位器,則在再次上電后系統自動復位。鑒于科研項目的相關要求,選擇帶有記憶性功能、噪聲小、抗震動、尺寸小并且壽命長的數字電位器AD8403。利用數字電位器AD8403組合電路分壓+5V基準電壓,以達到輸出0~5V偏置電壓的要求。數字電位器AD8403的應用電路如圖6所示。

圖6 AD8403組合電路
AD8403是美國AD公司生產的一種4通道,有256個分支點的數字電位器,也稱數控可變電阻器。數字電位器實質上是一種特殊形式的數模轉換器,但其模擬量輸出不是電壓和電流而是電阻或電阻比率,所以又稱為RDAC。AD8403含有4個獨立的RDAC,采用24引線SOIC封裝。這兩種器件均可在擴展工業溫度范圍-40~+85℃工作。每個獨立的RDAC都有兩個固定端A和B及一個滑動觸點W。其中W距B端的位置由置入串行輸入寄存器中的數碼決定。固定端A與B之間的電阻一般分為3種類型:10kΩ,50kΩ和100kΩ。在這里根據實際需要選擇AD8403A100,即100kΩ。
AD8403的滑動端W的位置是由經過其SPI口輸入的串行數據決定的。當AD8403的引腳輸入信號為低電平有效時,則表示此數字電位器被選中,在時鐘脈沖的作用下將10位串行數據由AD8403的串行數據輸入(SDI)引腳。這10位數據的格式為:A1、A0、D7、D6、D5、D4、D3、D2、D1。其中前兩位為地址選擇位,地址位A1A0=00,01,10,11分別對應RDAC1、RDAC2、RDAC3和RDAC4。后8位是數據位,用來調節滑動端W的位置。AD8403的SPI時序圖如圖7所示。

圖7 AD8403的SPI時序圖
利用Matlab仿真,如圖6所示的數字電位器組合電路,其仿真結果達到了預期目的。利用Matlab軟件生成的三維圖像,可直觀地看出理論分析的輸出結果。仿真三維圖像如圖8所示。

圖8 仿真三維圖像
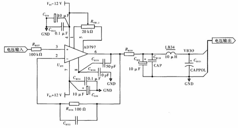
3.5射隨輸出模塊的設計
一般電路設計中,使用射隨電路主要有兩個目的:
(1)在輸入級,有時一個信號要被分配到多個下級輸入上,但前一級的輸出能力有限,這時就可以使用射隨電路。在保持信號電壓不變的情況下增加輸出電流,以達到驅動多個后級電路的目的。
(2)射隨電路不僅可以提供高輸入、低輸出的阻抗,還可以起到緩沖作用,避免后級電路對前級電路的影響。
在直流偏置電路中,由于數字電位器AD8403的輸出驅動電流較小,所以需要在后級電路中加入一個由運算放大器AD797組成的射隨電路以增加偏置電壓的驅動能力,具體的射隨電路如圖9所示。

圖9 AD797組成的射隨電路
結語
以上就是基于數字電位器的直流偏置技術介紹了。經過實踐證明,本文設計的直流偏置源工作可靠、穩定,符合低噪聲、高精度、工作穩定、反應靈敏等要求,所以具有推廣和使用的價值。
電話:18923864027(同微信)
QQ:709211280
〈烜芯微/XXW〉專業制造二極管,三極管,MOS管,橋堆等,20年,工廠直銷省20%,上萬家電路電器生產企業選用,專業的工程師幫您穩定好每一批產品,如果您有遇到什么需要幫助解決的,可以直接聯系下方的聯系號碼或加QQ/微信,由我們的銷售經理給您精準的報價以及產品介紹

