LM339(四路差動比較器)是在電壓比較器芯片內部裝有四個獨立的電壓比較器,是一種常見的集成電路,主要應用于高壓數字邏輯門電路。利用lm339可以方便的組成各種電壓比較器電路和振蕩器電路。本文介紹了利用LM339設計的測試儀電路。
1.LM339特點
(1)失調電壓小,典型值為2mV;
(2)電源電壓范圍寬,單電源為2-36V,雙電源電壓為±1V-±18V;
(3)對比較信號源的內阻限制較寬;
(4)共模范圍很大,為0~(Ucc-1.5V)Vo;
(5)差動輸入電壓范圍較大,大到可以等于電源電壓;
(6)輸出端電位可靈活方便地選用。
2.測試儀電路
介紹電路見圖1。粗黑線方框內是待測比較器LM339.其中的4個比較器在方框內分別被標注為IC1、1C2、IC3和IC4,方塊四周的數字是引腳編號。其中③腳和12腳是電源引腳,可使用5V~36V之間的任何電壓數值,也可使用雙電源測試,這里使用12V單電源。
LM339輸出端是三極管集電極0C開路型的,如圖2所示。當其正輸入端(同相輸入端)電位高于負輸入端(反相輸入端)10mV或以上時,輸出三極管處于截止狀態,這時電阻R11作為上拉電阻將輸出端電位置為高電平:相反情況時,輸出端為低電平,即圖2中的輸出三極管處于導通狀態。
由于LM339輸出端是三極管集電極開路型的無源輸出端,所以,LM339的四個輸出端可以直接短路連接,而不影響其正常工作。圖1的測試電路就是基于這樣的原理設計的。

圖1 測試儀電路

圖2 輸出三極管處于導通狀態
圖1中有4個按鈕SB1—SB4,用于對4個電壓比較器IC1~IC4進行測試。電阻R9=R10=10kΩ,兩個電阻分壓使得4個電壓比較器的正輸入端(同相輸入端⑤腳、⑦腳、⑨腳、11腳)電壓等于6V。由于電壓比較囂輸入端電流僅有nA級大小,所以對分壓值幾乎不產生影響。電阻R1 =R3=R5=R7=6.8kn,R2=R4=R6=R8=10kΩ,這樣電壓比較器4個負輸入端(反相輸入端④腳、⑥腳、⑧腳、⑩腳)電壓,在相應按鈕按下時為7.1V。
測試時,首先將待測比較器LM339插入雙列直插封裝的集成電路測試14腳插座,并鎖緊,接通測試儀電源開關K,測試儀進入工作狀態,這時指示燈LED1點亮,LED2不亮。由于4個電壓比較器的負輸入端均通過電阻接地,為低電平,而正輸入端有6V電壓,對應的輸出端三極管均截止;電壓表V有指示,指示值比電源電壓12V略低。
準確數值則由發光管LED2的正向壓降,以及電阻R11和電壓表的內阻分壓決定。接著依次按壓按鈕SB1~SB4,對IC1~IC4分別進行檢測。例如,按下按鈕SB1,IC1的負輸入端(反相輸入端④腳)獲得7.1V電壓,高于正輸入端(同相輸入端⑤腳)的6V電壓,輸出端②腳內的三極管充分飽和,使輸出端②腳呈現低電平,這時指示燈LED2點亮,電壓表V指示值≤0.1V。
IC1~IC4全部測試完畢,即可根據附表數據判斷待測電壓比較器的質量如何。如果每一測試步驟均與表列結果一致,則可認為被測集成電路功能正常。

對于一批待測試電壓比較器集成電路,應注意電壓的指示值應相同,或非常接近。尤其在裝配產品時,應對測試值異常的元件剔除不用,從而使產品順利通過調試。
3.功能擴展應用
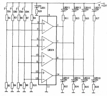
圖1是集電極開路輸出型電壓比較器的測試電路,測試時可將其4個輸出端并連在一起,而有些電壓比較器像MC14574.以及用運算放大器代作電壓比較器(運算放大器沒有使用負反饋時,放大倍數接近無窮大,即具有電壓比較器的特性)使用時,它們的輸出端是不允許直接并聯在一起的。其測試電路如圖3那樣改接,才能進行正常測試。圖3是對四運放LM324用作電壓比較器時的測試電路。也使用12V電源。圖3中電阻Rl—RIO的阻值與圖1相同。電源開關K剛合上時,4個輸出端均為高電平,發光管LED12、LED14、LED16、LED18點亮。

圖3 LM324用作電壓比較器時的測試電路
之后按下按鈕SB1時,則②腳電壓高過③腳,輸出端①腳變為低電平,LED12熄滅.LED11點亮。再依次按壓按鈕SB2、SB3和SB4,對LM324的所有4個“比較器”進行功能測試,即可確認其功能正常與否。
4.元件選擇與制作
圖1中電阻的選擇,可用0.125W的.阻值文中已有交代;對于與發光管串聯的電阻,可用3.3k的,這樣發光管約有3mA左右的電流。發光管可用φ3mm或φ5mm的普通型即可。按鈕無有特殊要求。要注意的是集成電路老化測試插座,最好選測試專用插座,保證插入時省力,插入后接觸良好。實在買不到,也可用普通的lC插座。
若果嫌輸入端電阻過多,可只要R1、R2-組分壓,4個開關分別搭接在這個分壓點上,而不搭接在12V上,依次閉合,測試各個集成塊的好壞。
電話:18923864027(同微信)
QQ:709211280
〈烜芯微/XXW〉專業制造二極管,三極管,MOS管,橋堆等,20年,工廠直銷省20%,上萬家電路電器生產企業選用,專業的工程師幫您穩定好每一批產品,如果您有遇到什么需要幫助解決的,可以直接聯系下方的聯系號碼或加QQ/微信,由我們的銷售經理給您精準的報價以及產品介紹

