MOS管自舉電路工作原理與升壓自舉電路結構圖
MOS管自舉電路介紹:
自舉電路也叫升壓電路,是利用自舉升壓二極管,自舉升壓電容等電子元件,使電容放電電壓和電源電壓疊加,從而使電壓升高。有的電路升高的電壓能達到數倍電源電壓。
MOS管自舉電路原理:
舉個簡單的例子:有一個12V的電路,電路中有一個場效應管需要15V的驅動電壓,這個電壓怎么弄出來?就是用自舉。通常用一個電容和一個二極管,電容存儲電荷,二極管防止電流倒灌,頻率較高的時候,自舉電路的電壓就是電路輸入的電壓加上電容上的電壓,起到升壓的作用。
自舉電路只是在實踐中定的名稱,在理論上沒有這個概念。自舉電路主要是在甲乙類單電源互補對稱電路中使用較為普遍。甲乙類單電源互補對稱電路在理論上可以使輸出電壓Vo達到Vcc的一半,但在實際的測試中,輸出電壓遠達不到Vcc的一半。其中重要的原因就需要一個高于Vcc的電壓。所以采用自舉電路來升壓。
常用自舉電路(摘自fairchild,使用說明書AN-6076《供高電壓柵極驅動器IC 使用的自舉電路的設計和使用準則》)the boost converter,或者叫step-up converter,是一種開關直流升壓電路,它可以是輸出電壓比輸入電壓高。假定那個開關(三極管或者mos管)已經斷開了很長時間,所有的元件都處于理想狀態,電容電壓等于輸入電壓。下面要分充電和放電兩個部分來說明這個電路。
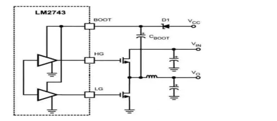
MOS管自舉電容工作原理:
自舉電容,內部高端MOS需要得到高出IC的VCC的電壓,通過自舉電路升壓得到,比VCC高的電壓,否則,高端MOS無法驅動。
自舉是指通過開關電源MOS管和電容組成的升壓電路,通過電源對電容充電致其電壓高于VCC。最簡單的自舉電路由一個電容構成,為了防止升高后的電壓回灌到原始的輸入電壓,會加一個Diode.自舉的好處在于利用電容兩端電壓不能突變的特性來升高電壓。舉個例子來說,如果MOS的Drink極電壓為12V,Source極電壓原為0V,Gate極驅動電壓也為12V,那么當MOS在導通瞬間,Soure極電壓會升高為Drink減壓減去一個很小的導通壓降,那么Vgs電壓會接近于0V,MOS在導通瞬間后又會關斷,再導通,再關斷。如此下去,長時間在MOS的Drink極與Source間通過的是一個N倍于工作頻率的高頻脈沖,這樣的脈沖尖峰在MOS上會產生過大的電壓應力,很快MOS管會被損壞。如果在MOS的Gate與Source間接入一個小電容,在MOS未導通時給電容充電,在MOS導通,Source電壓升高后,自動將Gate極電壓升高,便可使MOS保持繼續導通。




mos管升壓自舉電路原理:
自舉電路也叫升壓電路,利用自舉升壓二極管,自舉升壓電容等電子元件,使電容放電電壓和電源電壓疊加,從而使電壓升高。有的電路升高的電壓能達到數倍電源電壓。
MOS管升壓電路原理
舉個簡單的例子:有一個12V的電路,電路中有一個場效應管需要15V的驅動電壓,這個電壓怎么弄出來?就是用自舉。通常用一個電容和一個二極管,電容存儲電壓,二極管防止電流倒灌,頻率較高的時候,自舉電路的電壓就是電路輸入的電壓加上電容上的電壓,起到升壓的作用。
升壓電路只是在實踐中定的名稱,在理論上沒有這個概念。升壓電路主要是在甲乙類單電源互補對稱電路中使用較為普遍。甲乙類單電源互補對稱電路在理論上可以使輸出電壓Vo達到Vcc的一半,但在實際的測試中,輸出電壓遠達不到Vcc的一半。其中重要的原因就需要一個高于Vcc的電壓。所以采用升壓電路來升壓。
開關直流升壓電路(即所謂的boost或者step-up電路)原理the boost converter,或者叫step-up converter,是一種開關直流升壓電路,它可以是輸出電壓比輸入電壓高?;倦娐穲D見圖1.


假定那個開關(三極管或者mos管)已經斷開了很長時間,所有的元件都處于理想狀態,電容電壓等于輸入電壓。下面要分充電和放電兩個部分來說明這個電路。
mos管充電過程介紹:
在充電過程中,開關閉合(三極管導通),等效電路如圖二,開關(三極管)處用導線代替。這時,輸入電壓流過電感。二極管防止電容對地放電。由于輸入是直流電,所以電感上的電流以一定的比率線性增加,這個比率跟電感大小有關。隨著電感電流增加,電感里儲存了一些能量。


mos管放電過程
如圖,這是當開關斷開(三極管截止)時的等效電路。當開關斷開(三極管截止)時,由于電感的電流 保持特性,流經電感的電流不會馬上變為0,而是緩慢的由充電完畢時的值變為0。而原來的電路已斷開,于是電感只能通過新電路放電,即電感開始給電容充電, 電容兩端電壓升高,此時電壓已經高于輸入電壓了。升壓完畢。


說起來升壓過程就是一個電感的能量傳遞過程。充電時,電感吸收能量,放電時電感放出能量。如果電容量足夠大,那么在輸出端就可以在放電過程中保持一個持續的電流。如果這個通斷的過程不斷重復,就可以在電容兩端得到高于輸入電壓的電壓。


【mos管常用升壓電路】
mos管P 溝道高端柵極驅動器
直接式驅動器:適用于最大輸入電壓小于器件的柵- 源極擊穿電壓。
開放式收集器:方法簡單,但是不適用于直接驅動高速電路中的MOSFET。
電平轉換驅動器:適用于高速應用,能夠與常見PWM 控制器無縫式工作。
mos管N 溝道高端柵極驅動器
直接式驅動器:MOSFET最簡單的高端應用,由PWM 控制器或以地為基準的驅動器直接驅動,但它必須滿足下面兩個條件:
1、VCC<Vgs,max
2、Vdc<VCC-Vgs,miller
浮動電源柵極驅動器:獨立電源的成本影響是很顯著的。光耦合器相對昂貴,而且帶寬有限,對噪聲敏感。
變壓器耦合式驅動器:在不確定的周期內充分控制柵極,但在某種程度上,限制了開關性能。但是,這是可以改善的,只是電路更復雜了。
電荷泵驅動器:對于開關應用,導通時間往往很長。由于電壓倍增電路的效率低,可能需要更多低電壓級泵。
自舉式驅動器:簡單,廉價,也有局限;例如,占空比和導通時間都受到刷新自舉電容的限制。
烜芯微專業制造二極管,三極管,MOS管,橋堆等20年,工廠直銷省20%,4000家電路電器生產企業選用,專業的工程師幫您穩定好每一批產品,如果您有遇到什么需要幫助解決的,可以點擊右邊的工程師,或者點擊銷售經理給您精準的報價以及產品介紹
烜芯微專業制造二極管,三極管,MOS管,橋堆等20年,工廠直銷省20%,4000家電路電器生產企業選用,專業的工程師幫您穩定好每一批產品,如果您有遇到什么需要幫助解決的,可以點擊右邊的工程師,或者點擊銷售經理給您精準的報價以及產品介紹

