無線充電
無線充電技術主要分為小功率感應式和大功率諧振式,它相較于有線充電技術,具有以下優點:
1. 沒有為被充電物體留下的充電接口,減少灰塵、水等對充電的影響。
2. 不像有線充電一樣對產品規格具有一一對應性,無線充電可適用于多種產品。
3. 沒有線的束縛,更利于智能手機用戶的產品體驗感受。
4. 設備磨損率低,節省材料。
5. 在醫學領域中,更方便于對植入人體醫療設備充電
雖然無線充電技術優點如此之多,缺點也是很明顯的:
1. 電能轉化率較低,終端易因功率耗損發燙
2. 充電效率低,比有線充電慢
3. 成本較高,存在商業推廣難度
4. 產品維修存在難度,加重成本負擔
從可持續發展的行業大方向來看,無線充電會得到更好的發展前景。
2013年,潘力設計了一種鋰電池無線充電模塊,采用電磁感應方式,充分結合了磁耦合技術和開關電源技術。在電源為12V的電壓下,接收端能穩定輸出4.2V充電電壓,并且電路發射端設有電路保護功能,能夠有效防止功率mos管被擊穿、短路等問題。整體電路結構簡單,工作穩定。


【互感耦合實現電能的無線饋送】
鋰電池無線充電電路設計
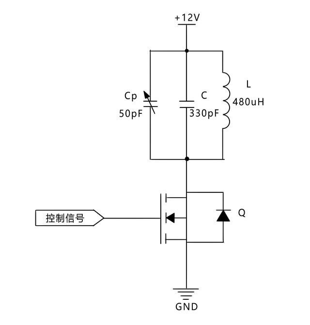
由于放大后的振蕩輸出是用于功率而不是信號,波形失真并不重要。功率場效應管電路滿足振幅足夠、電路簡單的需求,所以選用功率MOS管功放電路。


【場效應管功放電路圖】
功放電路中合適的MOS管選擇條件:
l 選用VGS正向導通的NMOS管
l 導通電阻小
l 開關延時短
可選用的MOSFET晶體管型號:
①IRF640P
②VBZM4N30
③VBZE4286
④VBZE40N10
⑤VBZE30N10
⑥VBZM630Y


【可選用的MOS管產品參數】
發射電路振蕩器部分選用UC38428/3843控制器,優點是價格便宜、外部電路簡潔、自帶電路保護板功能、可直接驅動功率MOS管;接收端采用bq24002鋰電池充電管理芯片,它能穩定地輸出4.2V的充電電壓,充電電流可由設計者自行設計,并且工作電壓最高可達13V,適用于無線充電。


【發射部分電路圖】


【接收部分電路圖】
MOS管封裝及應用
主要產品的封裝有:SOP-8 、TO-220(F)、TO-263、TO-247、TO-252、TO-251、SOT-23、SOT-223、SOT-89、QFN、AO3400等系列封裝產線。
【MOS管產品封裝】
廣泛應用于3C數碼、安防設備、測量儀器、廣電教育、家用電器、軍工/航天、可穿戴設備、汽車電子、網絡通信、物聯網IoT、新能源、醫療電子、照明電子、智能家居、電腦主板顯卡、MIDUMPC 、GPS、藍牙耳機、PDVD、車載DVD、汽車音箱、液晶顯示器、移動電源、手機電池(鋰電池保護板)、LED電源等產品。
烜芯微專業制造二極管,三極管,MOS管,橋堆等20年,工廠直銷省20%,4000家電路電器生產企業選用,專業的工程師幫您穩定好每一批產品,如果您有遇到什么需要幫助解決的,可以點擊右邊的工程師,或者點擊銷售經理給您精準的報價以及產品介紹
烜芯微專業制造二極管,三極管,MOS管,橋堆等20年,工廠直銷省20%,4000家電路電器生產企業選用,專業的工程師幫您穩定好每一批產品,如果您有遇到什么需要幫助解決的,可以點擊右邊的工程師,或者點擊銷售經理給您精準的報價以及產品介紹

