mosfet驅動
跟雙極性晶體管相比,一般認為使MOS管導通不需要電流,只要GS電壓高于一定的值,就可以了。這個很容易做到,但是,我們還需要速度。在MOS管的結構中可以看到,在GS,GD之間存在寄生電容,而MOS管的驅動,實際上就是對電容的充放電。對電容的充電需要一個電流,因為對電容充電瞬間可以把電容看成短路,所以瞬間電流會比較大。選擇/設計MOS管驅動時第一要注意的是可提供瞬間短路電流的大小。
MOS管驅動電路第二注意的是,普遍用于高端驅動的NMOS,導通時需要是柵極電壓大于源極電壓。而高端驅動的MOS管導通時源極電壓與漏極電壓(VCC)相同,所以這時 柵極電壓要比VCC大4V或10V。如果在同一個系統里,要得到比VCC大的電壓,就要專門的升壓電路了。很多馬達驅動器都集成了電荷泵,要注意的是應該 選擇合適的外接電容,以得到足夠的短路電流去驅動MOS管。
上邊說的4V或10V是常用的MOS管的導通電壓,設計時當然需要有一定的余量。而且電壓越高,導通速度越快,導通電阻也越小。現在也有導通電壓更小的MOS管用在不同的領域里,但在12V汽車電子系統里,一般4V導通就夠用了。
mosfet驅動電路哪幾種
mosfet驅動電路哪幾種,下文會體現出來。在使用MOS管設計開關電源或者馬達驅動電路的時候,大部分人都會考慮MOS的導通電阻,最大電壓等,最大電流等,也有很多人僅僅考慮這些因素。這樣的電路也許是可以工作的,但并不是優秀的,作為正式的產品設計也是不允許的。
MOSFET因導通內阻低、開關速度快等優點被廣泛應用于開關電源中。MOSFET的驅動常根據電源IC和MOSFET的參數選擇合適的電路。下面一起探討MOSFET用于開關電源的驅動電路。
在使用MOSFET設計開關電源時,大部分人都會考慮MOSFET的導通電阻、最大電壓、最大電流。但很多時候也僅僅考慮了這些因素,這樣的電路也許可以正常工作,但并不是一個好的設計方案。更細致的,MOSFET還應考慮本身寄生的參數。
對一個確定的MOSFET,其驅動電路,驅動腳輸出的峰值電流,上升速率等,都會影響MOSFET的開關性能。當電源IC與MOS管選定之后, 選擇合適的驅動電路來連接電源IC與MOS管就顯得尤其重要了。
(一)mosfet驅動電路哪幾種-電源IC直接驅動MOSFET

圖1 IC直接驅動MOSFET
電源IC直接驅動是最常用的驅動方式,同時也是最簡單的驅動方式,使用這種驅動方式,應該注意幾個參數以及這些參數的影響。第一,查看一下電源IC手冊,其最大驅動峰值電流,因為不同芯片,驅動能力很多時候是不一樣的。
第二,了解一下MOSFET的寄生電容,如圖 1中C1、C2的值。如果C1、C2的值比較大,MOS管導通的需要的能量就比較大,如果電源IC沒有比較大的驅動峰值電流,那么管子導通的速度就比較慢。如果驅動能力不足,上升沿可能出現高頻振蕩,即使把圖1中Rg減小,也不能解決問題! IC驅動能力、MOS寄生電容大小、MOS管開關速度等因素,都影響驅動電阻阻值的選擇,所以Rg并不能無限減小。
(二)mosfet驅動電路哪幾種-電源IC驅動能力不足時
如果選擇MOS管寄生電容比較大,電源IC內部的驅動能力又不足時,需要在驅動電路上增強驅動能力,常使用圖騰柱電路增加電源IC驅動能力,其電路如圖 2虛線框所示。

圖2 圖騰柱驅動MOS
這種驅動電路作用在于,提升電流提供能力,迅速完成對于柵極輸入電容電荷的充電過程。這種拓撲增加了導通所需要的時間,但是減少了關斷時間,開關管能快速開通且避免上升沿的高頻振蕩。
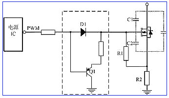
(三)mosfet驅動電路哪幾種-驅動電路加速MOS管關斷時間

圖3 加速MOS關斷
關斷瞬間驅動電路能提供一個盡可能低阻抗的通路供MOSFET柵源極間電容電壓快速泄放,保證開關管能快速關斷。為使柵源極間電容電壓的快速泄放,常在驅動電阻上并聯一個電阻和一個二極管,如圖 3所示,其中D1常用的是快恢復二極管。這使關斷時間減小,同時減小關斷時的損耗。Rg2是防止關斷的時電流過大,把電源IC給燒掉。

圖4 改進型加速MOS關斷
在第二點介紹的圖騰柱電路也有加快關斷作用。當電源IC的驅動能力足夠時,對圖 2中電路改進可以加速MOS管關斷時間,得到如圖 4所示電路。用三極管來泄放柵源極間電容電壓是比較常見的。如果Q1的發射極沒有電阻,當PNP三極管導通時,柵源極間電容短接,達到最短時間內把電荷放完,最大限度減小關斷時的交叉損耗。與圖 3拓撲相比較,還有一個好處,就是柵源極間電容上的電荷泄放時電流不經過電源IC,提高了可靠性。
(四)mosfet驅動電路哪幾種-驅動電路加速MOS管關斷時間

圖5 隔離驅動
為了滿足如圖5所示高端MOS管的驅動,經常會采用變壓器驅動,有時為了滿足安全隔離也使用變壓器驅動。其中R1目的是抑制PCB板上寄生的電感與C1形成LC振蕩,C1的目的是隔開直流,通過交流,同時也能防止磁芯飽和。
除了以上驅動電路之外,還有很多其它形式的驅動電路。對于各種各樣的驅動電路并沒有一種驅動電路是最好的,只有結合具體應用,選擇最合適的驅動。
MOSFET驅動電路有以下幾點要求
(1)開關管開通瞬時,驅動電路應能提供足夠大的充電電流使MOSFET柵源極間電壓迅速上升到所需值,保證開關管能快速開通且不存在上升沿的高頻振蕩。
(2)開關導通期間驅動電路能保證MOSFET柵源極間電壓保持穩定且可靠導通。
(3)關斷瞬間驅動電路能提供一個盡可能低阻抗的通路供MOSFET柵源極間電容電壓的快速泄放,保證開關管能快速關斷。
(4)驅動電路結構簡單可靠、損耗小。
(5)根據情況施加隔離。
烜芯微專業制造二極管,三極管,MOS管,橋堆等20年,工廠直銷省20%,1500家電路電器生產企業選用,專業的工程師幫您穩定好每一批產品,如果您有遇到什么需要幫助解決的,可以點擊右邊的工程師,或者點擊銷售經理給您精準的報價以及產品介紹
烜芯微專業制造二極管,三極管,MOS管,橋堆等20年,工廠直銷省20%,1500家電路電器生產企業選用,專業的工程師幫您穩定好每一批產品,如果您有遇到什么需要幫助解決的,可以點擊右邊的工程師,或者點擊銷售經理給您精準的報價以及產品介紹

