三端穩壓管和穩壓二極管介紹
下文會從三端穩壓管和穩壓二極管的各個方面的知識來介紹它們。先看他們的基本概況吧。
(1)三端穩壓管概述
三端穩壓管是一種直到臨界反向擊穿電壓前都具有很高電阻的半導體器件。穩壓管在反向擊穿時,在一定的電流范圍內(或者說在一定功率損耗范圍內),端電壓幾乎不變,表現出穩壓特性,因而廣泛應用于穩壓電源與限幅電路之中。
(2)穩壓二極管概述
穩壓二極管,英文名稱Zener diode,又叫齊納二極管。利用pn結反向擊穿狀態,其電流可在很大范圍內變化而電壓基本不變的現象,制成的起穩壓作用的二極管。
此二極管是一種直到臨界反向擊穿電壓前都具有很高電阻的半導體器件.在這臨界擊穿點上,反向電阻降低到一個很小的數值,在這個低阻區中電流增加而電壓則保持恒定,穩壓二極管是根據擊穿電壓來分檔的,因為這種特性,穩壓管主要被作為穩壓器或電壓基準元件使用。穩壓二極管可以串聯起來以便在較高的電壓上使用,通過串聯就可獲得更高的穩定電壓。

三端穩壓管和穩壓二極管的工作原理
三端穩壓管和穩壓二極管的工作原理區別如下:
(1)三端穩壓管工作原理
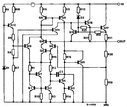
因為固定三端穩壓器屬于串聯型穩壓電路,因此它的原理等同于串聯型穩壓電路。
其中R1、Rp、R2組成的分壓器是取樣電路,從輸出端取出部分電壓UB2作為取樣電壓加至三極管T2的基極。
穩壓管Dz以其穩定電壓Uz作為基準電壓,加在T2的發射極上。R3是穩壓管的限流電阻。三極管T2組成比較放大電路,它將取樣電壓UB2與基準電壓Uz加以比較和放大,再去控制三極管T1的基極電位。輸入電壓Ui加在三極管T1與負載RL相串聯的電路上,因此,改變T1集電極間的電壓降UCE1便可調節RL兩端的電壓Uo。
也就是說,穩壓電路的輸出電壓Uo可以通過三極管T1加以調節,所以T1稱為調整管。由于調整元件是晶體管管,而且在電路中與負載相串聯,故稱為晶體管串聯型穩壓電路。電阻R4和T1的基極偏置電阻,也是T2的集電極負載電阻。
當電網電壓降低或負載電阻減小而使輸出端電壓有所下降時,其取樣電壓UB2相應減小,T2基極電位下降。但因T2發射極電位既穩壓管的穩定Uz保持不變,所以發射極電壓UBE2減小,導致T2集電極電流減小而集電極電位Uc2升高。
由于放大管T2的集電極與調整管T1的基極接在一起,故T1基極電位升高,導致集電極電流增大而管壓降UCE1減小。因為T1與RL串聯,所以,輸出電壓Uo基本不變。
同理,當電網電壓或負載發生變化引起輸出電壓Uo增大時,通過取樣、比較放大、調整等過程,將使調整調整管的管壓降UCE1增加,結果抑制了輸出端電壓的增大,輸出電壓仍基本保持不變。
調節電位器Rp,可對輸出電壓進行微調。調整管T1與負載電阻RL組成的是射極輸出電路,所以具有穩定輸出電壓的特點。
在串聯型穩壓電源電路的工作過程中,要求調整管始終處在放大狀態。通過調整管的電流等于負載電流,因此必須選用適當的大功率管作調整管,并按規定安裝散熱裝置。為了防止短路或長期過載燒壞調整管,在直流穩壓器中一般還設有短路保護和過載保護等電路。

三端穩壓內部電路圖
(2)穩壓二極管的工作原理
穩壓二極管的伏安特性曲線的正向特性和普通二極管差不多,反向特性是在反向電壓低于反向擊穿電壓時,反向電阻很大,反向漏電流極小。但是,當反向電壓臨近反向電壓的臨界值時,反向電流驟然增大,稱為擊穿,在這一臨界擊穿點上,反向電阻驟然降至很小值。盡管電流在很大的范圍內變化,而二極管兩端的電壓卻基本上穩定在擊穿電壓附近,從而實現了二極管的穩壓功能。

主要參數
三端穩壓管和穩壓二極管的主要參數如下:
(一)三端穩壓管最主要參數
(1)輸出電壓V。
輸出電壓是指穩壓器的各工作參數符合規定時的輸出電壓值。對于固定輸出穩壓器,它是常數;對于可調式輸出穩壓器,它是輸出電壓范圍。
(2)輸出電壓偏差
對于固定輸出穩壓器,實際輸出的電壓值和規定的輸出電壓Vo之間往往有一定的偏差。這個偏差值一般用百分比表示,也可以用電壓值表示。
(3)最大輸出電壓ICM
最大輸出電流指穩壓器能夠保持輸出電壓不變的最大電流。
(4)最小輸入電壓Vimin
輸人電壓值在低于最小輸入電壓值時,穩壓器將不能正常工作。
(5)最大輸人電壓Vimax
最大輸入電壓是指穩壓器安全工作時允許外加的最大電壓值。
說明:(4)、(5)兩項也常用輸人電壓的范圍來表示。
(6)最小輸入、輸出電壓差(Vi-Vo)
它是指穩壓器能正常工作時的輸入電壓U與輸出電壓八是最小電壓差值。
(7)電壓調整率SV
電壓調整率是指當穩壓器負載不變而輸入的直流電壓變化時,所引起的輸出電壓的相對變化量。SV常用下式表示:
式中:△AVo——輸出電壓變化量;
△Ai——輸入電壓變化量。
電壓調整率有時也用某一輸入電壓變化范圍內的輸出電壓變化量表示。
電壓調整車用來表征穩壓器維持輸出電壓不變的能力。
(8)電流調整率SI
電流調整車是指,當輸入電壓保持不變而輸出電流在規定范圍內變化時,穩壓器輸出電壓相對變化的百分比,可用下式表示:

電流調整率有時也用負載電流變化時輸出電壓的變化量來表示。
(9)輸出電壓溫漂ST
輸出電壓溫漂也稱輸出電壓的溫度系數。其定義為,在規定的溫度范圍內,當輸入電壓和輸出電流不變時,單位溫度變化引起的輸出電壓變化量,用公式表達為:

式中:△T——溫度變化量。
(10)輸出阻抗Z。
輸出阻抗指,在規定的輸入電壓和輸出電流的條件下,在輸出端上所測得的交流電壓與交流電流之比,即

輸出阻抗反映了在動態負載狀態下,穩壓器的電流調整率。
(11)輸出噪聲電壓VN
它是指當穩壓器輸入端無噪聲電壓進入時,在其輸出端所測得的噪聲電壓值。輸出噪聲
電壓是由穩壓器內部產生的,它對許多負載是有害的。
(二)穩壓二極管的主要參數
1.Uz— 穩定電壓
指穩壓管通過額定電流時兩端產生的穩定電壓值。該值隨工作電流和溫度的不同而略有改變。由于制造工藝的差別,同一型號穩壓管的穩壓值也不完全一致。例如,2CW51型穩壓管的Vzmin為3.0V, Vzmax則為3.6V。
2.Iz— 額定電流
指穩壓管產生穩定電壓時通過該管的電流值。低于此值時,穩壓管雖并非不能穩壓,但穩壓效果會變差;高于此值時,只要不超過額定功率損耗,也是允許的,而且穩壓性能會好一些,但要多消耗電能。
3.Rz— 動態電阻
指穩壓管兩端電壓變化與電流變化的比值。該比值隨工作電流的不同而改變,一般是工作電流愈大,動態電阻則愈小。例如,2CW7C穩壓管的工作電流為 5mA時,Rz為18Ω;工作電流為1OmA時,Rz為8Ω;為20mA時,Rz為2Ω ; > 20mA則基本維持此數值。
4.Pz— 額定功耗
由芯片允許溫升決定,其數值為穩定電壓Vz和允許最大電流Izm的乘積。例如2CW51穩壓管的Vz為3V,Izm為20mA,則該管的Pz為60mWo
5. α---溫度系數
如果穩壓管的溫度變化,它的穩定電壓也會發生微小變化,溫度變化1℃所引起管子兩端電壓的相對變化量即是溫度系數(單位:﹪/℃)。一般說來穩壓值低于6V屬于齊納擊穿,溫度系數是負的;高于6V的屬雪崩擊穿,溫度系數是正的。溫度升高時,耗盡層減小,耗盡層中,原子的價電子上升到較高的能量,較小的電場強度就可以把價電子從原子中激發出來產生齊納擊穿,因此它的溫度系數是負的。
對電源要求比較高的場合,可以用兩個溫度系數相反的穩壓管串聯起來作為補償。由于相互補償,溫度系數大大減小,可使溫度系數達到0.0005%/℃。
6.IR— 反向漏電流
指穩壓二極管在規定的反向電壓下產生的漏電流。例如2CW58穩壓管的VR=1V時,IR=O.1uA;在VR=6V時,IR=10uA。
應用
三端穩壓管和穩壓二極管的應用:
三端穩壓管典型應用
所謂的三端穩壓器,就是只有三個引腳,分別為輸入端、輸出端和地(公共端),按功能可分為固定式穩壓電路和可調式穩壓電路,固定式就是輸出電壓為固定的,而可調式可以通過外接元件使輸出電壓得到很寬的調節范圍;下面我們分別介紹兩種穩壓電路。
固定式三端穩壓器:

作為維修人員,相信大家大都見過電路板上的7800系列產品,比如7805,7812等,它們都屬于W7800系列。W7800系列三端穩壓器的輸出電壓有5V、6V、9V、12V、15V、18V和24V七個檔次,型號后面的兩個數字表示輸出電壓值,輸出電流有三個檔次,1.5A,例如W7805;0.5A,例如W78M05;0.1A,例如W78L05。此系列產品因性能穩定、價格低廉而得到廣泛的應用。

上圖為7805內部原理框圖,其內部就是一個串聯型穩壓電路加保護電路組成,只不過把它集成起來了。W7805的輸入端和輸出端之間的電壓差允許值為3~13V,也就是說輸出5V,輸入電壓至少是8V,最多是18V。

7805的典型應用電路
上圖為7805的典型應用電路。圖中電容C2用于抵消輸入線較長時的電感效應,以防止電路產生自激振蕩,C3用于濾除輸出電壓中的高頻噪聲。

可調穩壓電路
上圖為輸出電壓可調的實用穩壓電路,圖中IC2組成電壓跟隨器,它的輸出電壓等于7805的輸出電壓,也就是電阻R1和可調電阻R2的電壓之和,改變R2滑動端的位置,可以調節輸出電壓的大小。
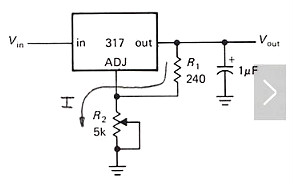
可調式三端穩壓器:可調式三端穩壓器和固定式同樣有三個引腳,分別為輸入端、輸出端和調整端。可調式三端集成穩壓器輸出電壓可調,穩壓精度高,輸出紋波小,只需外接兩只不同的電阻,即可獲得各種輸出電壓。三端可調式穩壓器品種繁多,如正壓輸出的317(217/117)系列、123系列、138系列、140系列、150系列;負壓輸出的337系列等,它的線性調整率和負載調整率要比固定式穩壓器好。

上圖為W117的原理框圖。R1和R2為外接的采樣電阻,調整端接在它們的連接點上。由于此電路引入了深度電壓負反饋,因此輸出電壓非常穩定。如不外接電阻使用,其輸出電壓等于基準電壓值,典型值為1.25V。

可調式三端穩壓器的主要應用就是實現輸出電壓可調的穩壓電路,所以外接采樣電穩壓電路不可缺少的部分,其W317典型電路如上圖,輸出電壓的計算公式為 輸出電壓=(1 R2/R1)*1.25V。調節電位器R2的阻值可調節輸出電壓的大小。調節范圍為1.2V~37V。另外需要說明的是,其輸入端和輸出端電壓差為3~40V,過低穩壓電路不穩壓,過高時調整管可能因管壓降過大擊穿。
(二)穩壓二極管應用
(1)典型的串聯型穩壓電路
在此電路中,三極管T的基極被穩壓
串聯型穩壓電路
二極管D穩定在13V,那么其發射極就輸出恒定的13-0.7=12.3V電壓了,在一定范圍內,無論輸入電壓升高還是降低,無論負載電阻大小變化,輸出電壓都保持不變。這個電路在很多場合下都有應用。7805就是一種串聯型集成穩壓電路,可以輸出5V的電壓。7805-7824可以輸出5-24V電壓。在很多電器上都有應用。

(2)電視機里的過壓保護電路
115V是電視機主供電電壓,當電源輸出電壓過高時,D導通,三極管T導通,其集電極電位將由原來的高電平(5V)變為低電平,通過待機控制線的電壓使電視機進入待機保護狀態.
(3)電弧抑制電路
在電感線圈上并聯接入一只合適的穩壓二極管(也可接入一只普通二極管原理一樣)的話,當線圈在導通狀態切斷時,由于其電磁能釋放所產生的高壓就被二極管所吸收,所以當開關斷開時,開關的電弧也就被消除了。這個應用電路在工業上用得比較多,如一些較大功率的電磁吸控制電路就用到它。
烜芯微專業制造二極管,三極管,MOS管,橋堆等20年,工廠直銷省20%,1500家電路電器生產企業選用,專業的工程師幫您穩定好每一批產品,如果您有遇到什么需要幫助解決的,可以點擊右邊的工程師,或者點擊銷售經理給您精準的報價以及產品介紹

